Категории

Популярные схемы
Схема ЧМ-Радиостанции на СВ-диапазон  
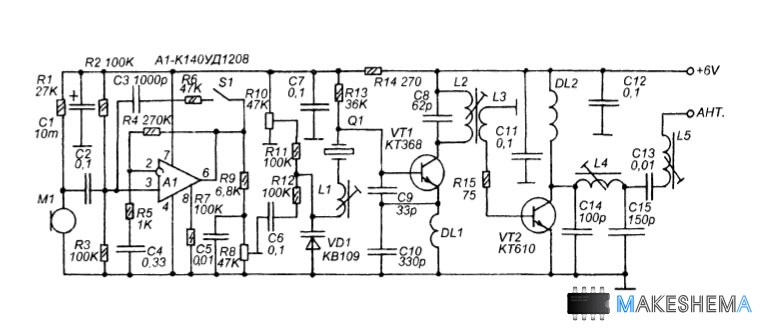
Схема ЧМ-Радиостанции на СВ-диапазонПередающий тракт построен по типовой схеме. Он состоит из задающего генератора с кварцевой стабилизацией частоты, усилителя мощности с "П"-фильтром и удлиняющей катушкой на выходе, модулятора и модулирующего усилителя с микрофоном на входе. Передатчик работает на одной фиксированной частоте, но число каналов может быть увеличено, если использовать набор переключаемых кварцевых резонаторов.





Передатчик работает на антенну, представляющую собой телескопический штырь длиной 0,7 м (антенна от портативной магнитолы).

Характеристики передающего тракта:

1. Рабочая частота.........в диапазоне 21МГц.
2. Выходная мощность ....................... 0,4 Вт.
3. Девиация ЧМ.................................... 2-3 кГц.
4. Напряжение питания .................. 4,5...7 В.
5. Ток потребления.......................... 200 mА.


Принципиальная схема модуля передатчика показана на рисунке 4. Речь воспринимается электретным микрофоном М1, напряжение питания на который поступает через резистор R1. Напряжение ЗЧ через конденсатор С2 поступает на модулирующий усилитель, выполненный на ОУ А1.

Коэффициент передачи ОУ, а так же необходимая форма АЧХ устанавливается цепью ООС R4-R5-C4. Резисторы R2 и R3 создают на прямом входе ОУ постоянное напряжение, равное половине напряжения питания, обеспечивая рабочий режим ОУ при питании от однополярного источника.

Для того чтобы сформировать вызывной сигнал используется цепь ПОС C3-R6, которая подключается кнопкой S1 между прямым входом и выходом А1. Это переводит усилитель в режим генерации и на модулятор поступает тональный сигнал частотой 0,5-1,5 кГц.

Задающий генератор выполнен на транзисторе VT1. Резистор R13 задает режим работы транзистора по постоянному току. В цепи обратной связи — конденсаторы С9 и С10. Частота задается кварцевым резонатором Q1. Для осуществления частотной модуляции последовательно с кварцевым резонатором включена LC-цепь L1-VD1, которая служит для отклонения частоты резонанса Q1.

С выхода А1 низкочастотное напряжение поступает на нормирующие цепи R10-R8-R11-R12-C6. При помощи подстроечного резистора R10 устанавливается постоянное напряжение смещения на варикапе VD1, — нулевая точка девиации. Резистором R8 устанавливается величина ЗЧ напряжения, поступающего на варикап, — размах девиации. Эти регулировки взаимосвязаны, поэтому, в процессе настройки параметров модуляции, необходимо применять метод последовательных приближений.

В коллекторной цепи VT1 включен контур L2C8, настроенный на частоту несущей. Связь с усилителем мощности на транзисторе VT2 -индуктивная, посредством катушки связи L3. Каскад работает без напряжения смещения.

Нагрузкой выходного каскада является дроссель DL2. ВЧ напряжение с этого дросселя поступает в антенну через "П"- контур C14-L4-С15, который подавляет гармоники и согласовывает выход передатчика с антенной. Катушка L5 служит для увеличения электрической длины антенны. Конденсатор С13 — разделительный, чтобы антенна не имела гальванической связи со схемой радиостанции.

Для намотки контурных катушек использованы цилиндрические пластмассовые каркасы с ферритовыми подстроечными сердечниками от контуров модулей цветности или декодеров телевизоров типа 2-4 УСЦТ. Катушка L1 содержит 16 витков, L2 - 6 витков, L3 - 2,5 витка, L4 - 8 витков, L5 - 20 витков. Намотка выполняется виток к витку проводом ПЭВ 0,31 (можно 0,3...0,45 мм). Катушка L3 намотана на поверхность L2, равномерно по длине L2.

Дроссель DL1 намотан на постоянном резисторе МЛТ-0,5 сопротивлением более 100 кОм, он содержит 9 витков провода ПЭВ 0,31 (0,3... 0,45), намотанных виток к витку. Дроссель DL2 намотан на ферритовом сердечнике от катушки контура модуля цветности (или декодера) телевизора УСЦТ (стержень диаметром 2,8 мм и длиной 12 мм). Он содержит 15 витков такого же провода. После намотки витки закреплены клеем Момент.

Кварцевый резонатор Q1 — на частоту канала, в авторском варианте, он на 27 МГц. Частота резонатора может быть на любой канал СВ-диапазона, или на частоту в два раза ниже (например 13,5 МГц), в этом случае, задающий генератор настраивают на вторую гармонику резонатора.

Печатная плата передатчика
Схема ЧМ-Радиостанции на СВ-диапазонПередатчик смонтирован на печатной плате из стеклотекстолита с двухсторонней фольгировкой. С одной стороны располагаются детали, и слой фольги играет роль общего минуса и экрана монтажа, с другой стороны — дорожки.

Печатная плата выполнена таким же образом как и плата приемного тракта.

Со стороны деталей фольга остается почти вся, протравливаются только круглые участки вокруг отверстий не отмеченных на монтажной схеме крестиками.

Все выводы деталей отмеченные крестиками паяются к фольге со стороны расположения деталей.

Выходной транзистор КТ610 вставлен в отверстие в плате со стороны печатных дорожек, там его пластинчатые выводы базы и коллектора припаяны на монтажные площадки платы, а вывод эмиттера через паз в плате загнут на сторону деталей и там припаян к фольге общего минуса. Второй вывод эмиттера никуда не подключен, он припаян к площадке со стороны дорожек, чтобы транзистор держался прочнее.

ОУ КР140УД1208 можно заменить на К140УД608 (КР140УД608), без изменения разводки платы. Нужно только удалить R7. Цепь R3-C6 не расположена на плате, она припаяна к выводам вызывной кнопки.

Микрофон М1 — импортный электретный микрофон от портативной магнитолы. Можно использовать любой аналогичный микрофон с встроенным усилителем, от магнитол или телефонных аппаратов.

Переключение режимов прием-передача осуществляется переключателем на два направления, который переключает только цепи питания и антенны.


ДРУГИЕ ПОХОЖИЕ СХЕМЫ НА САЙТЕ:


Авторизация
Логин:
Пароль:
Напомнить пароль?

Облако тегов

Опрос
Схемы каких устройств вам наиболее интересны?



Интересные схемы