Категории

Популярные схемы
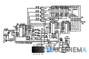
Схема автомобильных часов на светодиодах  
Схема автомобильных часов на светодиодахМногие владельцы легковых автомобилей хо гели-бы иметь в салоне машины точные и экономичные электронные часы-будильник с светящимися цифрами. Промышленность к сожалению такие часы не выпускает. Все возможные импортные электронные часы для автомобиля всегда сделаны на основе жидких кристаллов, которые очень плохо видны ночью (свет от встроенной подсветки преломляется индикатором и цифры можно увидеть только по определенным углом зрения) и к тому-же, жидкокристаллический индикатор замерзает зимой и некоторое время не функционирует, или портится летом от прямых солнечных лучей.

Читать дальше...


Простая сигнализация для автомобиля ВАЗ  
Простая сигнализация для автомобиля ВАЗСигнализация работает с системой контактных замыкающих датчиков, в качестве которых ислогьзуются дверные выключатели внутрисалонного освещения, установленные в передних дверях, выключатель подкапотной лампы, а также, дополнительно установленные датчики, аналогичного типа, в задних дверях и в багажнике. Электронных датчиков нет. Включение и выключение осуществляется переключающим двухплюсным тумблером, установленным в незаметном месте салона автомобиля.

Читать дальше...


Индикаторы токовой перегрузки на светодиодах  
Индикаторы токовой перегрузки на светодиодахВ лабораторном блоке питания весьма полезным будет индикатор, указывающий ориентировочно величину потребляемого тока или предупреждающий о его превышении. Схема одного из возможных вариантов такого индикатора показана на рисунке 1. Рекомендую рассмотреть схему светодиодного семисегментного индикатора, здесь. Он включается между конденсатором фильтра и стабилизатором напряжения. При указанных номиналах резисторов и нестабилизированном напряжении литания 15-22V светодиод HL1 начинает светиться желтым светом при силе тока около 250 mA, оранжевым, - при токе 350 mA, красным, - при токе около 500 mA. Таким образом, ток перегрузки, фиксируемый индикатором, составляет 0,5А.

Читать дальше...


Устройства на микросхеме К561ЛА7  
Устройства на микросхеме К561ЛА7В микросхеме К561ЛА7 (или её аналогах К1561ЛА7, К176ЛА7, CD4011), содержится четыре логических элемента 2И-НЕ (рис 1). Логика работы элемента 2И-НЕ проста, - если на обоих его входах логические единицы, то на выходе будет ноль, а если это не так (то есть, на одном из входов или на обоих входах есть ноль), то на выходе будет единица. Микросхема К561ЛА7 логики КМОП, это значит, что ее элементы сделаны на полевых транзисторах, поэтому входное сопротивление К561ЛА7 очень высокое, а потребление энергии от источника питания очень малое (это касается и всех других микросхем серий К561, К176, К1561 или CD40).

Читать дальше...


Авторизация
Логин:
Пароль:
Напомнить пароль?

Облако тегов

Опрос
Схемы каких устройств вам наиболее интересны?



Интересные схемы