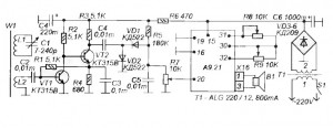
Радиоприемник принимает местные радиовещательные станции, работающие на средних волнах. Благодаря хорошему качеству низкочастотного усилителя и акустической системы приемник может быть лучшей альтернативой радиотрансляционной точке. В качестве низкочастотного усилителя используется плата УНЧ А9.21 от, отслужившего свое, телевизора 3-УСЦТ, от это-го же телевизора взят динамик (ЗГД-45). Приемник выполнен по несложной схеме прямого усиления. УРЧ двухкаскадный на транзисторах VT1 и VT2 с гальванической связью. Режим усилителя устанавливается автоматически.
Детектор выполнен на диодах VD1 и VD2. Диоды кремниевые, поэтому, чтобы получить достаточную чувствительность детектора, на них через резистор R5 подан прямой смещающий рабочую точку в более высокую часть ВАХ диода.
С выхода детектора низкочастотный сигнал поступает на регулятор громкости на переменном резисторе R7. С него ЗЧ напряжение поступает на вход платы УНЧ А9.21 (монтажная точка 20) от телевизора 3-УСЦТ. Питание подается на точку 15, а динамик подключен к разъему Х16, который есть на этой плате. Резисторы R8 и R9 предназначены для регулировки тембра по НЧ и ВЧ, они подключаются к точкам 30, 31 и 32 платы А9, 21 (эти резисторы обычно уже подпаяны на плату и их можно так и оставить, если не нужно удлинять соединительные провода).
Усилитель НЧ работает на динамик от того же телевизора. Источник питания не стабилизированный. сделан на китайском маломощном силовом трансформаторе «ALG», на первичное напряжение 220V (или 230V), на вторичное 12V и ток в нагрузке 800 mA. Такие трансформаторы очень часто встречаются в продаже. Большинство деталей (кроме магнитной антенны, переменного конденсатора и трансформатора) взяты от того же телевизора. Конденсаторы С4 и С6 на напряжение не меньше 16V.
Магнитная антенна намотана на ферритовом стержне диаметром 8 мм и длиной 120мм (не меньше 100 мм). Предварительно склеена из плотной бумаги гильза - каркас для катушек, так чтобы с трением перемещалась по стержню. Катушка L1 содержит 70 витков, катушка L2 - 10 витков. Намотка виток к витку, L2 - на расстоянии около 10 мм от L1. Провод намоточный, типа ПЭВ, диаметром 0,3-0,5 мм.
Налаживание заключается в подборе R5 по наибольшей чувствительности, при отсутствии самовозбуждения.
 |