Категории

Популярные схемы
Управление люстрой при помощи ДУ  
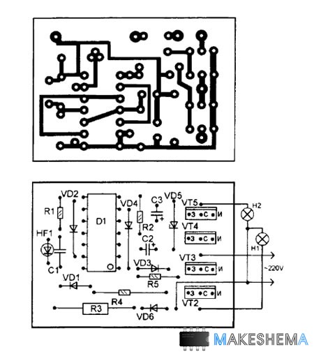
Управление люстрой при помощи ДУНа рисунке показана схема выключателя для люстры с двумя группами ламп, которым можно управлять с помощью лазерной указки. Выключатель располагается в черенке крепления люстры, - в крышке, закрывающей проводку и крюк крепления люстры. Так как лампы и плафоны направлены вниз, это место менее всего подвержено прямому попаданию света от ламп. Выключатель решает сразу две задачи. Он позволяет для люстры использовать обычную двухпроводную проводку, и обеспечивает дистанционное управление люстрой.





Фотодатчиком служит фотодиод HF1. В качестве фотодиода светодиод типа АЛ307. В моих экспериментах по воздействию света лазерной указки на АЛ307, последние свой побочной фотодиодной функции не проявили. Возможно этот побочный эффект есть не у всех экземпляров AЛ307, либо мои светодиоды, хотя и продавались под названием АЛ307, но были какими-то аналогами.

В качестве фотодатчика с успехом можно использовать любые фотодиоды от систем ДУ аппаратуры (именно фотодиоды, а не интегральные фотоприемники), а так же, любые фототранзисторы, фотодиоды от датчиков механики видеомагнитофонов и принтеров, и датчики от шариковых компьютерных мышей. Пригодны даже транзисторы МП со срезанной верхушкой корпуса.

Чувствительность датчика зависит от сопротивления R1, для разных экземпляров и типов фотоприемников величина сопротивления R1 может быть от десятков килоом до единиц мегаом. Сопротивление R1 подбирают экспериментально, так чтобы выключатель уверенно реагировал на прямое попадание луча указки в сенсор, с максимально необходимого расстояния, и вообще не реагировал на дневной свет и имеющиеся в помещении осветительные приборы.

Конденсатор С1 устраняет помехи. Фотодиод включен по схеме фоторезистора и с R1 образует делитель напряжения. Если делитель настроен правильно, то напряжение на R1 будет на уровне логического нуля, а при освещении HF1 лучом лазерной указки величина этого напряжения будет возрастать до уровня логической единицы.

На триггерах микросхемы К561ТМ2 сделан двухразрядный двоичный счетчик. После подачи питания цепь C2-R2 устанавливает данный счетчик в нулевое положение, что соответствует логическим нулям на выводах 13 и 1 микросхемы D1. Это значит, что двунаправленные ключи на полевых транзисторах VT2-VT5 закрыты и обе группы ламп не горят. Цепь C2-R2 защищает от случайного включения ламп после прерывания питания (например, в результате временного отключения электроснабжения).

Выключатель может принимать четыре состояния, - выключены все лампы, включена только группа Н1, включена только группа Н2, включены все лампы. Переключаются состояния последовательно, согласно двухразрядному двоичному коду.

Для изменения состояния выключателя нужно включить указку и направить её так, чтобы зайчик попал на окошко, за которым размещен фотодиод.
Микросхема D1 питается от сети через без трансформаторный источник, состоящий из диода VD6, гасящего резистора R3, стабилитрона VD5 и конденсатора С3.

Управление люстрой при помощи ДУДетали выключателя расположены на маленькой печатной плате из фольгированного стеклотекстолита с односторонним расположением печатных дорожек. Полевые транзисторы IRF840 обладают очень малым сопротивлением открытого канала, поэтому мощность на них рассеивается минимальная. Если суммарная мощность люстры не более 200W, радиаторы им не нужны. Транзисторы IRF840 можно заменить другими аналогичными, например, IRFBC40LC.

Все конденсаторы должны быть рассчитаны на напряжение не менее 10V. Конденсатор С1 не должен быть электролитическим. Настройка заключается только в установке чувствительности оптического датчика (подбором сопротивления R1).


ДРУГИЕ ПОХОЖИЕ СХЕМЫ НА САЙТЕ:


Авторизация
Логин:
Пароль:
Напомнить пароль?

Облако тегов

Опрос
Схемы каких устройств вам наиболее интересны?



Интересные схемы