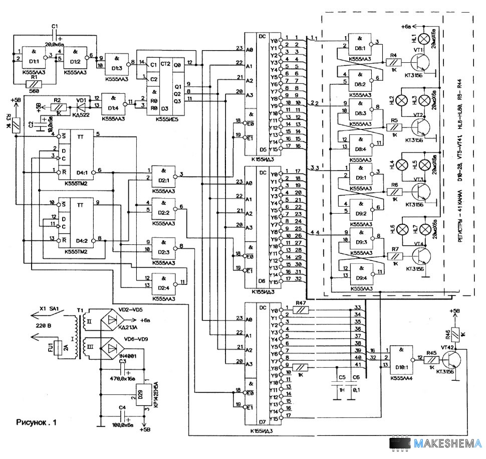
Для украшения праздников, рекламных вывесок обычно используются 2-х-7-и канальные системы управления для зажигания ламп накаливания. Автор предлагает 41 - канальную систему управления, служащую для плавного зажигания звезды. Схема изображена на Рис. 1. Задающий генератор частотой 10-20 Гц собран на логических элементах D1.1-D1.3 резисторе R1 и конденсаторе С1. С него импульсы поступают на шестнадцатеричный счётчик D3. На выходах Q0-Q3 с каждым импульсом происходит увеличение двоичного кода, который поступает на адресные входы дешифраторов D5-07. На выходе дешифраторов появится нулевой бегущий уровень в том случае если на разрешающем входе Е0, Е1 будет уровень логического нуля. Данным уровнем будут по очереди устанавливаться в единицу регистры D8-D28, и следовательно через транзисторные ключи VT1-VT41 будут включаться лампочки HL1-HL80.
При включении устройства активной является микросхема D5 Установка логического нуля на 17 ножке D5 приведёт к смене уровня на выходе D10.1 в результате чего переключится счётчик-дешифратор собранный на микросхемах D4, 02 и станет активна микросхема D6, а при появлении логического нуля на 17 ножке D6 активной станет D7.
Разрешающий сигнал поступает по очереди на дешифраторы D5-D7 с микросхем D2.1-D2.3, которые включены по схеме двоично-троичного дешифратора. Микросхема D4 включена как счётчик, который увеличивается при каждом нарастающем уровне на входе 3 (D4.1) и считает до 3-х, при поступлении 4-го импульса на выходе 11 микросхемы D2.4 появляется логический ноль, который устанавливает счётчик в нулевое состояние. Этим же уровнем сбрасывается и счётчик D3 через инвертор D1.4
Общий сброс происходит при первоначальном включении устройства за счёт заряда ёмкости С2 через резистор R2. Блок питания собран на трансформаторе Т1 с двумя вторичными обмотками. Обмотка II служит для питания ламп накаливания. Максимальный ток при всех включенных лампочках составляет 1-1,5 ампера.
Третья обмотка предназначена для питания микросхем устройства. Диоды VD6-VD9 выпрямляют, а конденсатор С3 сглаживает переменную составляющую. Микросхема D29 стабилизирует напряжение на уровне 5 вольт. Ток потребления в зависимости от применённых микросхем может быть в пределах 300-600 ма
Подбором конденсатора С1 можно изменить скорость включения лампочек. Вместо 555 серии можно использовать 155 серию. При этом выход Y15 микросхемы D7 будет работать с некоторой перегрузкой. Для уменьшения перегрузки необходимо установить в данную цепь инвертор и транзисторный ключ подобный R45, R46, VT42, RC-цепочки R47, R48, C5, C6 установлены для подавления высокочастотных выбросов в моменты переключения счётчиков и случайного включения регистров.
Конструкция и расположение лампочек приведены на Рис.2. Лампочки расположены в отверстиях диаметром 3мм. просверленные в пятиугольной передней панели сделанной из ДВП. Звезда вырезана из цветной бумаги и наклеена на ДВП. Все микросхемы кроме блока питания расположены на пятиугольной односторонней печатной плате из стеклотекстолита со стороной 117,5мм.

Плата расположена за передней панелью и соединена с лампочками проводами. Верхняя и нижняя лампочки звезды подключены к первому и последнему ключу, остальные лампочки соединены в параллель по две штуки по горизонтали и подсоединены к соответствующему ключу. |