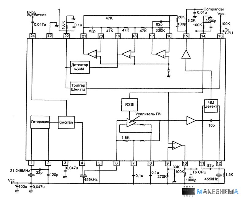
Микросхема LA8604M (Sanyo) предназначена для построения приемного тракта устройства мобильной связи. Она содержит узлы для обработки сигнала первой ПЧ в супергетеродинном приемнике с двойным преобразованием частоты. Микросхему так же можно использовать в приемном тракте с однократным преобразованием частоты, если частота входного сигнала не превосходит 90 МГц.
В составе LA8604M: преобразователь частоты, состоящий из смесителя и гетеродина, тракт усилителя-ограничителя второй ПЧ, узкополосной частотный детектор, предварительный УЗЧ, система шумопонижения, состоящая из активного фильтра, детектора шума и триггера Шмитта, компаратор для формирования выходного цифрового сигнала (при приеме данных).
Микросхема выполнена в корпусе MFP24S с выводами под поверхностный монтаж.
Параметры:
1. Диапазон питающего напряжения (Vcc) .......2.4...6V. 2. Номинальное напряжение питания 3V. 3. Максимально допустимое значение напряжения питания..........8V. 4. Ток потребления при Vcc=3V........3 mA. 5. Чувствительность по входу смесителя при соотношении сигнал/шум 3 dB, при Vcc=3V............5 dBµ. 6. Напряжение НЧ на выходе демодулятора (выв. 15)..............170 mV. 7. Подавление амплитудной модуляции глубиной 30%...............40 dB. 8. Коэффициент нелинейных искажений на выходе демодулятора не более .. 2%. 9. Переключение триггера Шмитта при входном сигнале.................... 18 dBµ. 10. Гистерезис триггера Шмитта 1 dB. 11. При Vcc=3V логическая единица выхода триггера Шмитта..........≥ 2,8V. 12. При Vcc=3V логический ноль выхода триггера Шмитта..........≤ 0,5V. 13. При Vcc=3V напряжение RSSI при входном сигнале 5dBµ.........≥ 2,8V. 14. При Vcc=3V напряжение RSSI при входном сигнале 35dBµ ≤ 0,5V. 15. Коэффициент передачи смесителя...............20 dB. 16. Верхняя входная частота смесителя...........90 MHz. 17. Входное сопротивление смесителя..............3,6 kОm. 18. Выходное сопротивление смесителя............1,8 kОm. 19. Входное сопротивление УПЧ 1,8 kOm. 20. Входное сопротивление частотного демодулятора 2,4 kOm. 21. Номинальная частота ПЧ 455 kHz. 22. Номинальная девиация частоты ... ±3 kHz.
Эквивалентные схемы выводов
 |