Категории

Популярные схемы
Схема усилителя автомагнитолы  
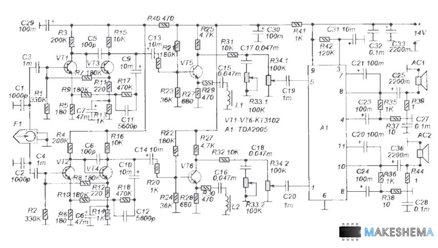
Схема усилителя автомагнитолыУсилитель предназначен для использования в качестве новой «начинки» при ремонте недорогих китайских автомагнитол. Его особенность в том, что каскады предварительного усилителя выполнены на транзисторах без применения микросхем. Усилитель мощности сделан на недорогой микросхеме двухканального УМЗЧ. Есть регулировка громкости и тембра по ВЧ.

При питании от источника напряжением 14V и работе на акустические системы сопротивлением 2 Оm выходная мощность 2x6W, при КНИ не более 0,5% Диапазон воспроизводимых частот 40-14000 Гц. АЧХ скорректирована для работы с лентой Fe203.





Рассмотрим предварительный усилитель на примере верхнего, по схеме, канала Конденсатор С1 с катушкой головки F1 образует контур, обеспечивающий подъем АЧХ на высоких частотах. Применение не электролитического конденсатора С3 способствует снижению шумов.

Первые два каскада ПУ выполненные на транзисторах VT1 и VT3 включены по схеме с непосредственной связью. Каскад на транзисторе VT1 работает в микротоковом режиме, что так же, способствует снижению уровня шума. Режим работы этих двух каскадов по постоянному току задается сопротивлением R7 Коррекция АЧХ усилителя на низких частотах осуществляется при помощи частотно-зависимой ООС R9-R17-C11.

Третий каскад выполнен на транзисторе VТ5 Дополнительный подъем АЧХ на высоких частотах осуществляется последовательным контуром L1-C15, настроенным на 14 кГц. С коллектора VT5 сигнал поступает на пассивный регулятор тембра и громкости на резисторах R33 и R34. Регулировка стереобаланса не предусмотрена (в корпусе многих китайских автомагнитол невозможно установить более двух регулирующих ручек).

Усилитель мощности выполнен на микросхеме А1 (TDA2005) по типовой схеме двух-канального усилителя. Катушки 11 и L2 намотаны на ферритовых кольцах диаметром 7 мм. Они содержат по 200 витков провода ПЭВ 0,12. Вместо транзисторов КТ312 можно использовать КТ315, КТ342. Усилитель мощности можно выполнить на другой микросхеме-УМЗЧ, включив её по типовой схеме.

Монтаж предварительного усилителя можно выполнить объемно-печатным способом на демонтированной плате собственного УНЧ магнитолы Усилитель мощности желательно спаять на отдельной плате.

Налаживание следует начать с проверки усилителя мощности. Предварительный усилитель при этом можно отключить (отпаяв R41, например). После включения питания в динамиках должно быть негромкое шипение, а прикосновение пальцем или отверткой к движкам R34 должно приводить к возникновению звука фона переменного тока.

Предварительный усилитель требует установки режимов по постоянному току. Напряжение на коллекторе VT3 (VT4) должно быть около 6-6,5V. Устанавливают его подбором сопротивления R7 (R8). Напряжение на коллекторе VT5 (VT6) должно быть около 7-7,5V. Его устанавливают подбором сопротивления резистора R21 (R22).

Симметричность каналов можно установить более точным подбором R21 и R22, подавая на входы сигнал от одного генератора (или воспроизводя моно-запись) и измеряя уровни ЗЧ напряжения на акустических системах
На этом можно закончить. При желании можно точнее настроить в резонанс на 14 кГц магнитные головки подобрав емкости С1 и С2 и точнее настроить контура L1-C15 и L2-C16 так же, на 14 кГц.

Соединение с магнитной головкой и переменными резисторами выполнять экранированным проводом.

Рекомендую посмотреть другие схемы усилителей автомагнитол здесь.


ДРУГИЕ ПОХОЖИЕ СХЕМЫ НА САЙТЕ:


Авторизация
Логин:
Пароль:
Напомнить пароль?

Облако тегов

Опрос
Схемы каких устройств вам наиболее интересны?



Интересные схемы