В выходных каскадах УЗЧ применяются мощные усилительные каскада, или «усилители мощности» (УМЗЧ). Основными требованиями, предъявляемыми к таким каскадам, является получение необходимой мощности, отдаваемой в нагрузку, при допустимых искажениях сигнала и наибольшем КПД. Последнее (КПД) наиболее важно для портативной аппаратуры. Каскады, рассмотренные на прошлом занятии обычно используются как каскады предварительного усиления.
Эти каскады однотактные. В выходных каскадах усилителей мощности ЗЧ, рассчитанных на работу на динамик, акустическую систему или головные телефоны, обычно применяются двухтаткные выходные каскады. Трансформаторные транзисторные каскады в УЗЧ сейчас уже не применяются, поэтому разговор пойдет о бестрансформаторных двухтактных УЗЧ.
На рисунке 1 показана типовая схема двухтактного усилителя мощности на транзисторах разной структуры. Если обратите внимание, оба транзистора включены по схемам с общим коллектором. Можно сказать, что это два эмиттерных повторителя, выполненных на транзисторах разной структуры и включенных последовательно по питанию.
Что это дает, по сравнению с обычным эмиттерным повторителем. На вход каскада поступает переменное напряжение входного сигнала, и вот что происходит, - на положительной полуволне открывается транзистор VT1 и через динамик протекает ток в направлении, соответствующем его полярности и его мембрана движется относительно спокойного состояния в одну сторону.
На отрицательной полуволне открывается VT2 и ток через динамик течет уже в обратном направлении. И мембрана динамика движется относительно спокойного состояния уже в другую сторону. Таким образом, размах движения мембараны получается в два раза больше, чем в однотактной схеме (с одним эмиттерным повторителем).
Схема, показанная на рисунке 1 требует применения в выходном каскаде разноструктурных транзисторов, но одинаковых, по электрическим параметрам, транзисторов (комплементарная пара).
В том случае, если необходим усилитель мощности, в котором на выходе установлены два одинаковых транзистора, одной и той же структуры, требуется некоторое схемное «ухищрение», показанное на рисунке 2. Получается, как бы, два усилительных каскада с непосредственной связью, включенных последовательно по питанию.
Рис.2
Причем, один каскад на одноструктурных транзисторах, а другой на разноструктурных. Нижний, по схеме, каскад как был эмитерным повторителем, так им и остался, а вот верхний (по схеме) «превращен» в аналог эмиттерного повторителя при помощи дополнительного транзистора.
Недостаток схемы, показанной на рисунке 1 (и рис. 2) в том, что источник питания двуполярный (со средней нулевой точкой). Если усилитель питается однополярным источником питания, то и его выходной каскад должен работать от такого же источника. Здесь может быть несколько вариантов решения. На рисунке 3 А и 3 Б показана схема с применением разделительного конденсатора на выходе. Динамик подключается к одному из полюсов источника питания, а переменное напряжение с выхода усилителя мощности на него подается через разделительный конденсатор.
Такая схема применяется наиболее часто, но у неё есть существенный недостаток, - сопротивление катушки динамика, её индуктивность, и емкость разделительного конденсатора образуют фильтр, который создает завал характеристики на низких частотах. Бороться с этим явлением в такой схеме, можно, в основном, только увеличением емкости переходного конденсатора.
Рис. 3А и 3Б

Но, есть и более радикальный метод, позволяющий не только получить гладкую АЧХ избавившись от переходного конденсатора, но и существенно повысить мощность, отдаваемую в нагрузку. Однако, эта схема, называемая «мостовой», требует в два раза (и более) большего числа деталей (рисунок 4). Фактически, это два одинаковых усилителя, таких как на рисунке 3, и между их выходами включен динамик.
Для того, чтобы такой усилитель функционировал, на входы входящих в его состав усилителей нужно подавать противофазные сигналы, например, при помощи дополнительного каскада на транзисторе VT3. В этом случае, можно получить выходную мощность почти в два раза больше чем в схеме на рис. 1. Дело в том, что на одной и той же полуволне входного сигнала будут открываться разные по значению транзисторы, например, VT1 и VT3.
Рис.4

На другой полуволне - VT2 и VT4. В результате, динамик будет все время, как бы, переворачиваться, подключаясь к источнику питания то в одном направлении, то в обратном. В результате, фактический размах напряжения на динамике будет в два раза больше, чем в схеме на рисунке 3 при том же напряжении питания. Значит, и мощность на выходе будет больше.
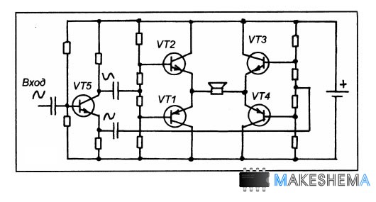
Рис.5
Конечно, можно подать сигнал только на вход одного из этих усилителей (рисунок 5), а второй усилитель использовать только как достаточно мощный источник напряжения, равного половине напряжения питания («ноль» при двуполярном питании). Такая схема (с источником средней точки питания) часто применяется в усилителях, от которых не требуется большой выходной мощности, но требуется хорошее воспроизведение по НЧ и нет места для большого выходного конденсатора (например, усилитель для наушников в аудиоплеере). |